simplex konusveida bloķēšanas zobrats B tipa ISO standarta ķēde

Šajā konstrukcijā izmantota konusveida rumba un atbilstoša konusveida caurums, kas ļauj droši piestiprināt ķēdes ķēdes ratu pie vārpstas, izmantojot konusveida fiksācijas bukses, neradot atstarpi.
Modelis: B tipa 20B-1 konusveida bloķēšanas zobrats
Materiāls: C45, nerūsējošais tērauds, rūdītais tērauds utt.
Virsmas apstrāde: Zobu apstrāde: rūdīti zobi, melnais oksīds, cinkots, elektroforēze u.c.

Apraksts

20B-1 Konusveida fiksācijas bukses spraudnisir izstrādāta, lai nodrošinātu augstu veiktspēju un izturību spēka pārvades sistēmās. Konusveida bloķēšanas ieliktnis nodrošina mehānisku interferenci starp zobratiņa rumbu un vārpstu, tādējādi nodrošinot stingru un uzticamu savienojumu.

Galvenās iezīmes

  • Mehānisks interferenciāls montējums:Nodrošina drošu savienojumu vienmērīgai un efektīvai jaudas pārvadei.
  • Efektīva darbība:Samazina enerģijas zudumus un uzlabo kopējo sistēmas efektivitāti.
  • Pagarināts kalpošanas laiks:Izturīga konstrukcija samazina apkopes un nomaiņas nepieciešamību, samazinot dīkstāves laiku un izmaksas.
  • Precīza zobu forma:Optimāla zobu konstrukcija: garantē optimālu ķēdes ieslēgšanos, samazinot berzi un troksni, lai nodrošinātu vienmērīgāku darbību.
  • Augstas kvalitātes materiāli:
    • C45 tērauds:C45 tērauds: izturība un ekonomiskums ir līdzsvarā.
    • Nerūsējošais tērauds:Nerūsējošais tērauds: nodrošina izcilu izturību pret koroziju skarbos vides apstākļos.
    • Rūdīts tērauds:Termiski apstrādāts paaugstinātai nodilumizturībai un ilgam kalpošanas laikam.

Tehniskās specifikācijas

  • ISO Nr:20B-1 (1 1/4″ x 3/4″)
  • Slīpums: 20B 20B, 20B 20B, 20B 20B, 20B 20B:(mm): 31,75 mm
  • Iekšējais platums:19,56 mm
  • Rullīša diametrs: 19,56 mm:19,05 mm
  • Zobu platums:18,5 mm
  • Ba:3,5 mm (rādiusa platums)
  • Rx:Rx: 32 mm (minimālais zobu rādiuss)

Priekšrocības

  • Spēcīgs, uzticams savienojums augstas veiktspējas sistēmām
  • Samazināta berze, troksnis un apkopes izmaksas
  • Daudzpusīga materiālu izvēle dažādām vidēm
  • Paildzina zobratu un ķēžu kalpošanas laiku

Izvēlieties 20B-1 konusveida bloķēšanas bukses spraudni, lai nodrošinātu augstākās kvalitātes izturību, efektivitāti un uzticamību spēka pārvades sistēmās.

Tehniskie parametri

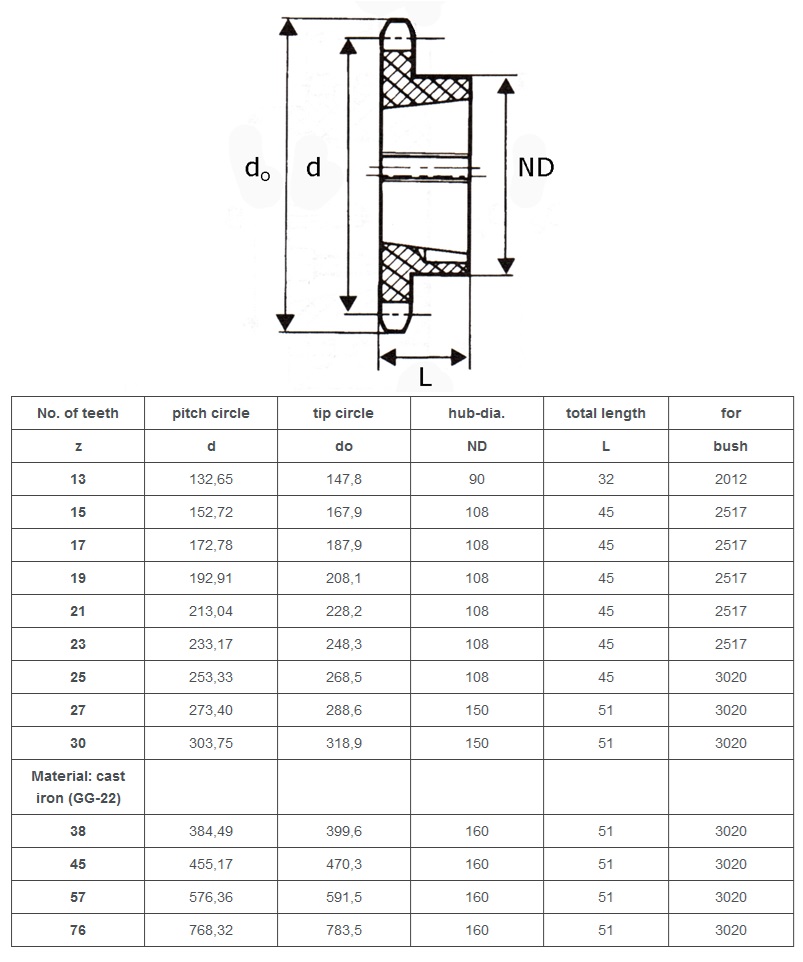
simplex konusveida bloķēšanas zobrats 20B-1 tehniskā tabula

simplex konusveida bloķēšanas zobrats 20B-1 tehniskā tabula