Skip to navigation Skip to main content
Vienas pieturas pakalpojums mehāniskajiem produktiem
beentools logotips attēls1
Select category
  • Select category
  • akciju nodošana
    • automobiļu ķēde
    • eskalatoru ķēde
      • eskalatora pakāpienu ķēde
      • eskalatora piedziņas ķēde
    • inženiertehniskā ķēde
      • ceļu būves mašīnu ķēde
      • cukura mašīnu ķēde
      • gumijas cimdu konveijera ķēde
      • iekrāvēja reģeneratora ķēde
      • konveijera ķēde tērauda rūpnīcai
      • konveijera ķēdes cementa rūpniecībai
      • metinātas konstrukcijas lieces plākšņu ķēdes inženiertehnikai
      • notekūdeņu attīrīšanas ķēde
      • ogļu mazgāšanas mašīnas ķēde
      • palmu eļļas ķēde
      • pudeļu mazgāšanas mašīnas konveijera ķēde
      • Tērauda bukses ķēde inženiertehnikai
      • vilkšanas atsauce metinātas struktūras lieces plāksnes ķēdes
    • konveijera ķēde
      • brīvas plūsmas ķēde
      • citas konveijera ķēdes
      • Collu Z sērijas konveijera ķēdes
      • drukāšanas gludekļa žāvēšanas telpas līnijas ķēde
      • FV sērijas konveijera ķēdes
      • gaļas ražošanas līnijas konveijera ķēde
      • gumijas piestiprināta plāksnes ķēde
      • ķēdes pārtikas iepakošanas iekārtām
      • koksnes konveijera ķēdes
      • Konveijera ķēdes ar dubultiem šarnīriem
      • Metriskā konveijera ķēde
      • transportēšanas rullīšu ķēdes
    • lauksaimniecības tehnikas ķēde
      • citu lauksaimniecības tehnikas ķēde
      • lauksaimniecības tehnikas piedziņas ķēdes
      • s tipa, c tipa tērauda rullīšu ķēdes
    • nerūsējošā tērauda ķēde
      • citas nerūsējošā tērauda ķēdes
      • nerūsējošā tērauda konveijera ķēdes
      • nerūsējošā tērauda rullīšu ķēde
    • piekares un plākšņu ķēdes
      • plākšņu ķēde
      • vilces ķēde
    • transmisijas ķēde
      • apgrieztā zobu ķēde
      • augstas stiprības īsa soļa rullīšu ķēdes
      • cita pārvades ķēde
      • divpakāpju transmisijas ķēde
      • īsa soļa precīzijas rullīšu ķēdes
      • lielas noslodzes izliektas plāksnes transmisijas ķēde
      • motociklu ķēdes
      • naftas atradņu ķēde
      • O-Ring ķēde
      • pašeļļošanas rullīšu ķēdes
      • pret koroziju izturīga īsa soļa rullīšu ķēde
    • zobrats
      • ass zobratiņš
      • dalīta konusveida bukses zobrats
      • dubultā soļa zobratiņš
      • konusveida bloķēšanas zobrats
      • krājuma zobratiņš
      • lodīšu gultņa zobratiņš
      • nerūsējošā tērauda zobrats
      • pabeigta urbuma zobrats
  • blīvējuma daļas
    • skeleta eļļas blīvējums
      • H tipa skeleta eļļas blīvējums
      • S tipa skeleta eļļas blīvējums
      • T tipa skeleta eļļas blīvējums
      • V tipa skeleta eļļas blīvējums
  • būvniecības tehnika
    • akmeņogļu raktuves dziļurbuma urbšanas iekārta
    • akmens urbja kāta adapteris
    • akmeņurakšanas instrumenti ar mazu diametru
      • koniskie akmens urbšanas instrumenti
      • urbšanas stienis ar atveri
      • viengabala urbšanas stienis
    • Aprīkojuma pakete cauruļvadiem ar spirālveida caurulēm
    • atklātās raktuves lielizmēra urbšanas instrumenti
      • R32 virsmas urbšanas iekārtu instrumenti
      • R38 virsmas urbšanas iekārtas instrumenti
      • T38 virsmas urbšanas iekārtas instrumenti
      • T45 atklātās raktuves jumbo urbšanas instrumenti
      • T51 atklātās raktuves lieljaudas urbšanas instrumenti
      • T60 atklāto karjeru jumbo urbšanas instrumenti
    • CBM daudzfunkcionālā urbšanas iekārta
    • cementēšanas iekārtu komplekts
    • enkuru urbšanas iekārta
    • frakcionēšanas aprīkojuma pakete
    • horizontālā virziena urbšanas iekārta
    • mazais ceļa veltnis
    • mazais ekskavators
    • naftas urbšanas iekārta
    • ogļraktuves jumta griešanas urbjmašīna
    • ogļraktuvju hidrauliskais jumta skrūvgriezis
    • ogļraktuvju tuneļu urbšanas iekārta
    • ogļraktuvju virziena urbšanas iekārta
    • ogļu raktuvju iekrāvēji
    • paaugstināt urbšanas platformu
    • pazemes tuneļu urbšanas iekārta
    • pazemes urbšanas iekārta
    • Pneimatiskais urbis klinšu skrūvju montāžai
    • Pulvertehnikas iekārtas
      • bumbu dzirnavas
      • citas dzirnavas
      • citi drupinātāji
      • deglis
      • Jumbo maisu iepakošanas mašīna
      • kausveida lifts
      • konusveida drupinātājs
      • konveijers
      • mobilā drupinātāja
      • putekļu savācējs
      • rotācijas krāsns
      • rotācijas žāvētājs
      • smilšu ražošanas mašīna
      • trieciena drupinātājs
      • uz slīdkravas uzmontēta drupinātāja
      • vertikālās veltņu dzirnavas
      • vibrācijas padevējs
      • vibrācijas siets
      • žokļa drupinātājs
    • rokas urbis akmeņiem
    • rūpnieciskās kalnrūpniecības jumbo urbšanas instrumenti
      • R32 pazemes raktuvju jumbo urbšanas instrumenti
      • R32 pneimatiskie urbšanas instrumenti
      • R38 pazemes raktuvju jumbo urbšanas instrumenti
      • ST58 pazemes raktuvju jumbo urbšanas instrumenti
      • ST68 pazemes raktuvju jumbo urbšanas instrumenti
      • T35 pazemes raktuvju jumbo urbšanas instrumenti
      • T38 pazemes raktuvju jumbo urbšanas instrumenti
      • T45 pazemes raktuvju jumbo urbšanas instrumenti
      • T51 pazemes raktuvju jumbo urbšanas instrumenti
    • serdes urbšanas iekārta
    • strūklas injektēšanas iekārta
    • tunelēšanas lieljaudas urbšanas instrumenti
      • R28 tunelēšanas lieljaudas urbšanas instrumenti
      • R32 tunelēšanas lielizmēra urbšanas instrumenti
      • R35 tunelēšanas lieljaudas urbšanas instrumenti
    • ūdens urbuma platforma
    • urbšanas iekārta ar augšējo piedziņu
    • uz kravas automašīnas uzmontēta urbšanas iekārta
    • vieglās klases akmens urbšanas instrumenti
    • virszemes urbšanas iekārta
  • elastīgie elementi
    • pavasaris
      • diska atspere
      • kompresijas atspere
      • pagarinājuma atspere
      • pelējuma atspere
      • spirālveida atspere
      • vērpes atspere
      • viļņu atspere
  • ģeneratoru komplekti
    • automātiskais pārslēgšanas slēdzis
    • dīzeļģeneratoru komplekts
    • gāzes ģeneratoru komplekts
    • invertora ģenerators
    • mazs benzīna ģenerators
      • vienfāzes benzīna ģenerators
      • viens trīsfāžu benzīna ģenerators
    • metināšanas ģenerators
      • benzīna metinātājs ģenerators
      • dīzeļdegvielas metināšanas ģenerators
    • mobilais apgaismes tornis
    • portatīvais dīzeļģenerators
      • vienfāzes dīzeļģenerators
      • viens trīsfāžu dīzeļģenerators
    • telekomunikāciju ģenerators
      • benzīna telekomunikāciju ģenerators
      • dīzeļdegvielas telekomunikāciju ģenerators
  • kompresori
    • portatīvais gaisa kompresors
      • aerogrāfs
      • automobiļu smidzināšanas pistole
      • bāzes plāksnes gaisa kompresors
      • bez eļļas gaisa kompresors sienai
      • bez eļļas gaisa kompresors zobārstniecības
      • cita pneimatiskā naglošanas ierīce
      • citi pneiminstrumenti
      • gaisa sūknis
      • jostas piedziņas gaisa kompresors
      • laba izsmidzināšanas pistole
      • liels bez eļļas gaisa kompresors
      • mazs bez eļļas gaisa kompresors
      • mikro gaisa kompresors
      • mini gaisa kompresors
      • pārnēsājamo skrūvju gaisa kompresors
      • Pneimatiskā leņķveida finiša naglu nazis
      • Pneimatiskā naglošanas ierīce
      • Pneimatiskā spirālveida naglošanas ierīce
      • pneimatiskais skavotājs
      • specializētā smidzināšanas pistole
      • tiešās piedziņas gaisa kompresors
      • vidēja bez eļļas gaisa kompresors
      • vidēja spiediena smidzināšanas pistole
    • rūpnieciskais gaisa kompresors
      • bez eļļas skrūves gaisa kompresors
      • bez eļļas spirālveida gaisa kompresors
      • bez eļļas virzuļa gaisa kompresors
      • desikantu saspiestā gaisa žāvētājs
      • divpakāpju dubultskrūves gaisa kompresors
      • dīzeļdegvielas gaisa kompresors
      • gaisa žāvētājs ar atdzesētu gaisu
      • īpaši augsta spiediena gaisa kompresors
      • liels vakuumsūknis
      • pm vsd divpakāpju skrūves gaisa kompresors
      • pm vsd vienpakāpes skrūves gaisa kompresors
      • skrūvveida ventilators
      • vienpakāpes dubultskrūves gaisa kompresors
    • rūpnieciskais kompresors
      • ar virzuli darbināms kompresors
      • augstspiediena kompresors
      • centrbēdzes kompresors
      • cits gāzes kompresors
      • dabasgāzes kompresors
      • diafragmas kompresors
      • kompresora iekraušana un izkraušana
      • kriogēnais kompresors
      • skābekļa kompresors bez eļļas
      • slāpekļa kompresors
      • ūdeņraža kompresors
  • sūkņi
    • ar dzinēju darbināms sūknis
      • ar benzīnu darbināms sūknis
      • ar dīzeļdegvielu darbināms sūknis
    • augstspiediena mazgātājs
      • benzīna augstspiediena mazgātājs
      • dīzeļdegvielas augstspiediena mazgātājs
      • elektriskā augstspiediena mazgājamā mašīna
    • diafragmas sūknis
    • dozēšanas dozēšanas sūknis
      • digitālais dozēšanas sūknis
      • elektromagnētiskais diafragmas dozēšanas sūknis
      • hidrauliskais diafragmas dozēšanas sūknis
      • Mehāniskais diafragmas dozēšanas sūknis
      • virzuļa dozēšanas sūknis
    • dozēšanas sistēma
    • eļļas sūknis
    • iegremdējamais akas sūknis
    • iegremdējamais sūknis
    • jūras sūknis
      • Jūras augstspiediena sūknis
      • jūras cauruļvadu sūknis
      • jūras magnētiskās piedziņas sūknis
      • jūras vertikālais daudzpakāpju centrbēdzes sūknis
      • jūras virpuļsūknis
      • ugunsdzēsības sūkņi uz kuģa
    • ķīmiskais sūknis
    • lāpstiņu sūknis
    • magnētiskais sūknis
    • strūklas sūknis
    • ūdens un notekūdeņu sūknis
    • vakuumsūknis
    • vienskrūves sūknis
    • zobratu sūkņi
      • augsta un zema spiediena zobratu sūknis
      • dubultā pārnesuma sūknis
      • hidrauliskais sinhronais zobratu motors
      • iekšējais zobratu sūknis
      • konstantas plūsmas zobratu sūknis
      • zobratu sūknis
Menu
beentools logotips attēls1
Browse Categories
  • kompresorikompresori
    • rūpnieciskais gaisa kompresors
      • žāvējošais saspiestā gaisa žāvētājs
      • dīzeļdegvielas gaisa kompresors
      • lieljaudas vakuuma sūknis
      • bez eļļas virzuļveida gaisa kompresors
      • bezeļļas skrūvju gaisa kompresors
      • bez eļļas spirālveida gaisa kompresors
      • PM VSD divpakāpju skrūvju gaisa kompresors
      • PM VSD vienpakāpes skrūvju gaisa kompresors
      • gaisa žāvētājs
      • skrūvju ventilators
      • vienpakāpes dubultskrūvju gaisa kompresors
      • divpakāpju dubultskrūvju gaisa kompresors
      • īpaši augsta spiediena gaisa kompresors
    • pārnēsājams gaisa kompresors
      • gaisa leņķveida apdares naglu nazis
      • gaisa sūknis
      • pneimatiskais putekļu pūtējs
      • automobiļu smidzināšanas pistole
      • gaisa kompresors ar pamatni
      • siksnu piedziņas gaisa kompresors
      • tiešās piedziņas gaisa kompresors
      • labas kvalitātes smidzināšanas pistole
      • liels bezeļļas gaisa kompresors
      • vidēja izmēra bezeļļas gaisa kompresors
      • vidēja spiediena smidzināšanas pistole
      • mikro gaisa kompresors
    • portatīvs gaisa kompresors
      • mini gaisa kompresors
      • bez eļļas gaisa kompresors zobārstniecībai
      • eļļas neizmantojošs gaisa kompresors sienai
      • citi pneimatiskie instrumenti
      • citas pneimatiskās naglu iekārtas
      • pneimatiskais rokas naglu metālis
      • pneimatiskais spirālveida naglu nazis
      • pneimatiskais skavotājs
      • portatīvais skrūvējamais gaisa kompresors
      • mazs bezeļļas gaisa kompresors
      • specializēts smidzināšanas pistoles
    • rūpnieciskais kompresors
      • centrbēdzes kompresors
      • kriogēnais kompresors
      • diafragmas kompresors
      • augstspiediena kompresors
      • ūdeņraža kompresors
      • iekraušanas un izkraušanas kompresors
      • dabasgāzes kompresors
      • slāpekļa kompresors
      • bez eļļas skābekļa kompresors
      • citu gāzu kompresors
      • virzuļa piedziņas kompresors
  • būvniecības tehnikabūvniecības tehnika
    • pulveru pārstrādes iekārtas
      • lodveida dzirnavas
      • kausu lifts
      • deglis
      • konusa drupinātājs
      • konveijers
      • putekļu savācējs
      • triecienu drupinātājs
      • žokļu drupinātājs
      • lielformāta maisu iepakošanas mašīna
      • mobils drupinātājs
      • citas drupinātājas
      • citas dzirnavas
      • rotācijas žāvētājs
      • rotācijas krāsns
      • smilšu ražošanas iekārta
      • uz rāmja uzstādīta drupinātāja
      • vertikālā veltņu dzirnava
      • vibrējošais padevējs
      • vibrējošais siets
    • enkuru urbšanas iekārta
    • CBM daudzfunkcionāla urbšanas iekārta
    • ogļraktuves dziļurbšanas iekārta
    • ogļraktuves virziena urbšanas iekārta
    • ogļraktuves griestu urbšanas urbšanas iekārta
    • ogļraktuves tunelu urbšanas iekārta
    • kodolurbšanas iekārta
    • horizontālās virziena urbšanas iekārta
    • strūklas injekcijas urbšanas iekārta
    • naftas urbšanas iekārta
    • pacelšanas urbšanas iekārta
    • virszemes urbšanas iekārta
    • urbšanas iekārta ar augšējo piedziņu
    • uz kravas automašīnas uzstādīta urbšanas iekārta
    • pazemes urbšanas iekārta
    • pazemes tunelu urbšanas iekārta
    • ūdens aku urbšanas iekārta
    • ogļraktuves hidrauliskais jumta stiprinājums
    • ogļraktuves iekrāvējs
    • rokas akmens urbjmašīna
    • pneimatiskais akmens skrūvju urbšanas urbjmašīna
    • cementēšanas iekārtu komplekts
    • spirālveida cauruļu aprīkojuma komplekts
    • hidrauliskās plīsumu veidošanas iekārtu komplekts
    • mazais ekskavators
    • mazs ceļu veltnis
    • vieglās klases akmens urbšanas instrumenti
    • akmens urbšanas kāta adapteris
    • mazā diametra akmens urbšanas instrumenti
      • viengabala urbšanas stienis
      • urbšanas stienis ar aizbāzni
      • koniskie akmens urbšanas instrumenti
    • atklāto karjeru jumbo urbšanas instrumenti
      • R32 virszemes urbšanas iekārtu instrumenti
      • R38 virszemes urbšanas iekārtu instrumenti
      • T38 virszemes urbšanas iekārtu instrumenti
      • T45 atklāto karjeru jumbo urbšanas instrumenti
      • T51 atklāto karjeru jumbo urbšanas instrumenti
      • T60 atklāto karjeru jumbo urbšanas instrumenti
    • tunelēšanas jumbo urbšanas instrumenti
      • R28 tunelēšanas jumbo urbšanas instrumenti
      • R32 tunelēšanas jumbo urbšanas instrumenti
      • R35 tunelēšanas jumbo urbšanas instrumenti
    • pazemes raktuvju jumbo urbšanas instrumenti
      • R32 pneimatiskie urbšanas instrumenti
      • R32 pazemes raktuvju jumbo urbšanas instrumenti
      • R38 pazemes raktuvju jumbo urbšanas instrumenti
      • ST58 pazemes raktuvju jumbo urbšanas instrumenti
      • ST68 pazemes raktuvju jumbo urbšanas instrumenti
      • T35 pazemes raktuvju jumbo urbšanas instrumenti
      • T38 pazemes raktuvju jumbo urbšanas instrumenti
      • T45 pazemes raktuvju jumbo urbšanas instrumenti
      • T51 pazemes raktuvju jumbo urbšanas instrumenti
  • elastīgie elementielastīgie elementi
    • pavasaris
      • viļņu atspere
      • diska atsperes
      • pagarinājuma atsperes
      • pelējuma atsperes
      • vērpes atsperes
      • spirālveida atsperes
      • saspiešanas atsperes
  • ģeneratoru komplektiģeneratoru komplekti
    • portatīvais dīzeļģenerators
      • vienfāzes dīzeļģenerators
      • vienfāzes trīsfāzu dīzeļģenerators
    • mazs benzīna ģenerators
      • vienfāzes benzīna ģenerators
      • vienfāzes trīsfāzu benzīna ģenerators
    • telekomunikāciju ģenerators
      • dīzeļdegvielas telekomunikāciju ģenerators
      • benzīna telekomunikāciju ģenerators
    • dīzeļģeneratoru komplekts
      • dīzeļģeneratoru komplekts
    • gāzes ģeneratoru komplekts
      • gāzes ģeneratoru komplekts
    • invertora ģenerators
      • invertora ģenerators
    • pārvietojams apgaismes tornis
      • mobilais apgaismojuma tornis
    • metināšanas ģenerators
      • dīzeļdegvielas metināšanas ģenerators
      • benzīna metināšanas ģenerators
    • ar dzinēju darbināms sūknis
      • ar dīzeļdzinēju darbināms sūknis
      • ar benzīnu darbināms sūknis
    • automātiskais pārslēgšanas slēdzis
      • automātiskais pārslēgšanas slēdzis
    • augstspiediena mazgātājs
      • dīzeļdegvielas augstspiediena mazgātājs
      • elektriskais augstspiediena mazgātājs
      • benzīna augstspiediena mazgātājs
  • sūkņisūkņi
    • sūknis
      • ķīmiskais sūknis
      • diafragmas sūknis
      • strūklas sūknis
      • magnētiskais sūknis
      • eļļas sūknis
      • vienvārpstas sūknis
      • iegremdējamais sūknis
      • iegremdējamais akas sūknis
      • vakuuma sūknis
      • lāpstiņsūknis
      • ūdens un notekūdeņu sūknis
    • dozēšanas sūknis
      • digitālais dozēšanas sūknis
      • elektromagnētiskais diafragmas dozēšanas sūknis
      • hidrauliskais diafragmas dozēšanas sūknis
      • mehāniskais diafragmas dozēšanas sūknis
      • virzuļa dozēšanas sūknis
    • augstspiediena mazgātājs
      • dīzeļdegvielas augstspiediena mazgātājs
      • elektriskais augstspiediena mazgātājs
      • benzīna augstspiediena mazgātājs
    • zobratu sūkņi
      • pastāvīgas plūsmas zobratu sūknis
      • divkāršais zobratu sūknis
      • zobratu sūknis
      • augsta un zema spiediena zobratu sūknis
      • hidrauliskais sinhronais zobratu motors
      • iekšējais zobratu sūknis
    • ar motoru darbināms sūknis
      • ar dīzeļdegvielu darbināms sūknis
      • ar benzīnu darbināms sūknis
    • kuģu sūknis
      • ugunsdzēsības sūkņi uz kuģa
      • kuģu augstspiediena sūknis
      • kuģu magnētiskās piedziņas sūknis
      • jūras cauruļvadu sūknis
      • jūras vertikālais daudzpakāpju centrbēdzes sūknis
      • jūras virpuļsūknis
    • dozēšanas sistēma
      • dozēšanas sistēma
  • blīvējuma daļasblīvējuma daļas
    • skeleta eļļas blīvējums
      • H tipa skeleta eļļas blīvslēgs
      • S tipa skeleta eļļas blīvētājs
      • T tipa skeleta eļļas blīvētājs
      • V tipa skeleta eļļas blīvētājs
  • akciju nodošanaakciju nodošana
    • zobrats
      • krājuma zobrats
      • gatavs urbuma zobrats
      • konusa formas bloķējošais zobrats
      • divpakāpju zobrats
      • zobrats ar sadalītu konusveida ieliktni
      • lodīšu gultņa zobrats
      • nerūsējošā tērauda zobrats
      • asais zobrats
    • automobiļu ķēdes
      • automobiļu ķēdes
    • nerūsējošā tērauda ķēde
      • nerūsējošā tērauda rullīšu ķēde
      • nerūsējošā tērauda konveijera ķēdes
      • citas nerūsējošā tērauda ķēdes
    • eskalatoru ķēdes
      • eskalatoru piedziņas ķēdes
      • eskalatoru pakāpienu ķēdes
    • pārnesuma ķēde
      • korozijizturīga īsa soļa rullīšu ķēde
      • divpakāpju transmisijas ķēde
      • augstas izturības īsas soļas rullīšu ķēdes
      • ķēdes ar apgrieztām zobām
      • motociklu ķēdes
      • naftas atradņu ķēdes
      • O-veida gredzenu ķēde
      • pašsmērējošas rullīšu ķēdes
      • precīzijas rullīšu ķēdes ar īsu soli
      • lielās slodzes izliektu plākšņu transmisijas ķēde
      • citas transmisijas ķēdes
    • lauksaimniecības mašīnu ķēdes
      • S tipa, C tipa tērauda rullīšu ķēdes
      • lauksaimniecības tehnikas piedziņas ķēdes
      • citas lauksaimniecības tehnikas ķēdes
    • konveijera ķēdes
      • transportēšanas rullīšu ķēdes
      • FV sērijas konveijera ķēdes
      • metriskās transportiera ķēdes
      • koksnes transportieru ķēdes
      • gaļas ražošanas līniju konveijeru ķēdes
      • ķēdes pārtikas iepakošanas iekārtām
      • divkāršā eņģu konveijera ķēde
      • gumijas piestiprināto plākšņu ķēde
      • drukāšanas dzelzs žāvēšanas telpu līnijas ķēde
      • collu Z sērijas konveijera ķēdes
      • brīvās plūsmas ķēde
      • citas konveijera ķēdes
    • vilkšanas un plākšņu ķēdes
      • plākšņu ķēde
      • vilkšanas ķēdes
    • inženiertehniskā ķēde
      • ceļu būvniecības mašīnu ķēdes
      • iekrāvēja reģeneratora ķēde
      • konveijera ķēde tērauda liešanai
      • inženierijas ķēdes ar tērauda buksēm
      • metinātas konstrukcijas lieces plākšņu ķēdes mašīnbūvei
      • konveijera ķēdes cementa rūpniecībai
      • cukura mašīnu ķēdes
      • notekūdeņu attīrīšanas ķēdes
      • ogļu mazgāšanas mašīnu ķēdes
      • pudeļu mazgāšanas mašīnu konveijera ķēde
      • gumijas cimdu konveijera ķēdes
      • vilkšanas atbalsts metinātas konstrukcijas lieces plākšņu ķēdes
      • palmu eļļas ķēde
  • Sākums
  • Veikals
  • Blogs
    • celtniecības tehnika
    • Elastīgie elementi
    • Blīvējuma daļas
    • Akciju nodošana
  • Vietnes karte
  • Par mums
  • Sazinieties ar mums
English English Français Français Tiếng Việt Tiếng Việt Italiano Italiano Nederlands Nederlands Türkçe Türkçe Svenska Svenska Polski Polski Română Română Latviešu Latviešu 한국어 한국어 Русский Русский Español Español Deutsch Deutsch Українська Українська Português Português العربية العربية Indonesian Indonesian Čeština Čeština Suomi Suomi Eesti Eesti Български Български Dansk Dansk Lietuvių Lietuvių Bokmål Bokmål Slovenčina Slovenčina Slovenščina Slovenščina Ελληνικά Ελληνικά Magyar Magyar עברית עברית

konusveida bloķēšanas zobrats

Close
Product categories
  • akciju nodošana
    • automobiļu ķēde
    • eskalatoru ķēde
      • eskalatora pakāpienu ķēde
      • eskalatora piedziņas ķēde
    • inženiertehniskā ķēde
      • ceļu būves mašīnu ķēde
      • cukura mašīnu ķēde
      • gumijas cimdu konveijera ķēde
      • iekrāvēja reģeneratora ķēde
      • konveijera ķēde tērauda rūpnīcai
      • konveijera ķēdes cementa rūpniecībai
      • metinātas konstrukcijas lieces plākšņu ķēdes inženiertehnikai
      • notekūdeņu attīrīšanas ķēde
      • ogļu mazgāšanas mašīnas ķēde
      • palmu eļļas ķēde
      • pudeļu mazgāšanas mašīnas konveijera ķēde
      • Tērauda bukses ķēde inženiertehnikai
      • vilkšanas atsauce metinātas struktūras lieces plāksnes ķēdes
    • konveijera ķēde
      • brīvas plūsmas ķēde
      • citas konveijera ķēdes
      • Collu Z sērijas konveijera ķēdes
      • drukāšanas gludekļa žāvēšanas telpas līnijas ķēde
      • FV sērijas konveijera ķēdes
      • gaļas ražošanas līnijas konveijera ķēde
      • gumijas piestiprināta plāksnes ķēde
      • ķēdes pārtikas iepakošanas iekārtām
      • koksnes konveijera ķēdes
      • Konveijera ķēdes ar dubultiem šarnīriem
      • Metriskā konveijera ķēde
      • transportēšanas rullīšu ķēdes
    • lauksaimniecības tehnikas ķēde
      • citu lauksaimniecības tehnikas ķēde
      • lauksaimniecības tehnikas piedziņas ķēdes
      • s tipa, c tipa tērauda rullīšu ķēdes
    • nerūsējošā tērauda ķēde
      • citas nerūsējošā tērauda ķēdes
      • nerūsējošā tērauda konveijera ķēdes
      • nerūsējošā tērauda rullīšu ķēde
    • piekares un plākšņu ķēdes
      • plākšņu ķēde
      • vilces ķēde
    • transmisijas ķēde
      • apgrieztā zobu ķēde
      • augstas stiprības īsa soļa rullīšu ķēdes
      • cita pārvades ķēde
      • divpakāpju transmisijas ķēde
      • īsa soļa precīzijas rullīšu ķēdes
      • lielas noslodzes izliektas plāksnes transmisijas ķēde
      • motociklu ķēdes
      • naftas atradņu ķēde
      • O-Ring ķēde
      • pašeļļošanas rullīšu ķēdes
      • pret koroziju izturīga īsa soļa rullīšu ķēde
    • zobrats
      • ass zobratiņš
      • dalīta konusveida bukses zobrats
      • dubultā soļa zobratiņš
      • konusveida bloķēšanas zobrats
      • krājuma zobratiņš
      • lodīšu gultņa zobratiņš
      • nerūsējošā tērauda zobrats
      • pabeigta urbuma zobrats
  • blīvējuma daļas
    • skeleta eļļas blīvējums
      • H tipa skeleta eļļas blīvējums
      • S tipa skeleta eļļas blīvējums
      • T tipa skeleta eļļas blīvējums
      • V tipa skeleta eļļas blīvējums
  • būvniecības tehnika
    • akmeņogļu raktuves dziļurbuma urbšanas iekārta
    • akmens urbja kāta adapteris
    • akmeņurakšanas instrumenti ar mazu diametru
      • koniskie akmens urbšanas instrumenti
      • urbšanas stienis ar atveri
      • viengabala urbšanas stienis
    • Aprīkojuma pakete cauruļvadiem ar spirālveida caurulēm
    • atklātās raktuves lielizmēra urbšanas instrumenti
      • R32 virsmas urbšanas iekārtu instrumenti
      • R38 virsmas urbšanas iekārtas instrumenti
      • T38 virsmas urbšanas iekārtas instrumenti
      • T45 atklātās raktuves jumbo urbšanas instrumenti
      • T51 atklātās raktuves lieljaudas urbšanas instrumenti
      • T60 atklāto karjeru jumbo urbšanas instrumenti
    • CBM daudzfunkcionālā urbšanas iekārta
    • cementēšanas iekārtu komplekts
    • enkuru urbšanas iekārta
    • frakcionēšanas aprīkojuma pakete
    • horizontālā virziena urbšanas iekārta
    • mazais ceļa veltnis
    • mazais ekskavators
    • naftas urbšanas iekārta
    • ogļraktuves jumta griešanas urbjmašīna
    • ogļraktuvju hidrauliskais jumta skrūvgriezis
    • ogļraktuvju tuneļu urbšanas iekārta
    • ogļraktuvju virziena urbšanas iekārta
    • ogļu raktuvju iekrāvēji
    • paaugstināt urbšanas platformu
    • pazemes tuneļu urbšanas iekārta
    • pazemes urbšanas iekārta
    • Pneimatiskais urbis klinšu skrūvju montāžai
    • Pulvertehnikas iekārtas
      • bumbu dzirnavas
      • citas dzirnavas
      • citi drupinātāji
      • deglis
      • Jumbo maisu iepakošanas mašīna
      • kausveida lifts
      • konusveida drupinātājs
      • konveijers
      • mobilā drupinātāja
      • putekļu savācējs
      • rotācijas krāsns
      • rotācijas žāvētājs
      • smilšu ražošanas mašīna
      • trieciena drupinātājs
      • uz slīdkravas uzmontēta drupinātāja
      • vertikālās veltņu dzirnavas
      • vibrācijas padevējs
      • vibrācijas siets
      • žokļa drupinātājs
    • rokas urbis akmeņiem
    • rūpnieciskās kalnrūpniecības jumbo urbšanas instrumenti
      • R32 pazemes raktuvju jumbo urbšanas instrumenti
      • R32 pneimatiskie urbšanas instrumenti
      • R38 pazemes raktuvju jumbo urbšanas instrumenti
      • ST58 pazemes raktuvju jumbo urbšanas instrumenti
      • ST68 pazemes raktuvju jumbo urbšanas instrumenti
      • T35 pazemes raktuvju jumbo urbšanas instrumenti
      • T38 pazemes raktuvju jumbo urbšanas instrumenti
      • T45 pazemes raktuvju jumbo urbšanas instrumenti
      • T51 pazemes raktuvju jumbo urbšanas instrumenti
    • serdes urbšanas iekārta
    • strūklas injektēšanas iekārta
    • tunelēšanas lieljaudas urbšanas instrumenti
      • R28 tunelēšanas lieljaudas urbšanas instrumenti
      • R32 tunelēšanas lielizmēra urbšanas instrumenti
      • R35 tunelēšanas lieljaudas urbšanas instrumenti
    • ūdens urbuma platforma
    • urbšanas iekārta ar augšējo piedziņu
    • uz kravas automašīnas uzmontēta urbšanas iekārta
    • vieglās klases akmens urbšanas instrumenti
    • virszemes urbšanas iekārta
  • elastīgie elementi
    • pavasaris
      • diska atspere
      • kompresijas atspere
      • pagarinājuma atspere
      • pelējuma atspere
      • spirālveida atspere
      • vērpes atspere
      • viļņu atspere
  • ģeneratoru komplekti
    • automātiskais pārslēgšanas slēdzis
    • dīzeļģeneratoru komplekts
    • gāzes ģeneratoru komplekts
    • invertora ģenerators
    • mazs benzīna ģenerators
      • vienfāzes benzīna ģenerators
      • viens trīsfāžu benzīna ģenerators
    • metināšanas ģenerators
      • benzīna metinātājs ģenerators
      • dīzeļdegvielas metināšanas ģenerators
    • mobilais apgaismes tornis
    • portatīvais dīzeļģenerators
      • vienfāzes dīzeļģenerators
      • viens trīsfāžu dīzeļģenerators
    • telekomunikāciju ģenerators
      • benzīna telekomunikāciju ģenerators
      • dīzeļdegvielas telekomunikāciju ģenerators
  • kompresori
    • portatīvais gaisa kompresors
      • aerogrāfs
      • automobiļu smidzināšanas pistole
      • bāzes plāksnes gaisa kompresors
      • bez eļļas gaisa kompresors sienai
      • bez eļļas gaisa kompresors zobārstniecības
      • cita pneimatiskā naglošanas ierīce
      • citi pneiminstrumenti
      • gaisa sūknis
      • jostas piedziņas gaisa kompresors
      • laba izsmidzināšanas pistole
      • liels bez eļļas gaisa kompresors
      • mazs bez eļļas gaisa kompresors
      • mikro gaisa kompresors
      • mini gaisa kompresors
      • pārnēsājamo skrūvju gaisa kompresors
      • Pneimatiskā leņķveida finiša naglu nazis
      • Pneimatiskā naglošanas ierīce
      • Pneimatiskā spirālveida naglošanas ierīce
      • pneimatiskais skavotājs
      • specializētā smidzināšanas pistole
      • tiešās piedziņas gaisa kompresors
      • vidēja bez eļļas gaisa kompresors
      • vidēja spiediena smidzināšanas pistole
    • rūpnieciskais gaisa kompresors
      • bez eļļas skrūves gaisa kompresors
      • bez eļļas spirālveida gaisa kompresors
      • bez eļļas virzuļa gaisa kompresors
      • desikantu saspiestā gaisa žāvētājs
      • divpakāpju dubultskrūves gaisa kompresors
      • dīzeļdegvielas gaisa kompresors
      • gaisa žāvētājs ar atdzesētu gaisu
      • īpaši augsta spiediena gaisa kompresors
      • liels vakuumsūknis
      • pm vsd divpakāpju skrūves gaisa kompresors
      • pm vsd vienpakāpes skrūves gaisa kompresors
      • skrūvveida ventilators
      • vienpakāpes dubultskrūves gaisa kompresors
    • rūpnieciskais kompresors
      • ar virzuli darbināms kompresors
      • augstspiediena kompresors
      • centrbēdzes kompresors
      • cits gāzes kompresors
      • dabasgāzes kompresors
      • diafragmas kompresors
      • kompresora iekraušana un izkraušana
      • kriogēnais kompresors
      • skābekļa kompresors bez eļļas
      • slāpekļa kompresors
      • ūdeņraža kompresors
  • sūkņi
    • ar dzinēju darbināms sūknis
      • ar benzīnu darbināms sūknis
      • ar dīzeļdegvielu darbināms sūknis
    • augstspiediena mazgātājs
      • benzīna augstspiediena mazgātājs
      • dīzeļdegvielas augstspiediena mazgātājs
      • elektriskā augstspiediena mazgājamā mašīna
    • diafragmas sūknis
    • dozēšanas dozēšanas sūknis
      • digitālais dozēšanas sūknis
      • elektromagnētiskais diafragmas dozēšanas sūknis
      • hidrauliskais diafragmas dozēšanas sūknis
      • Mehāniskais diafragmas dozēšanas sūknis
      • virzuļa dozēšanas sūknis
    • dozēšanas sistēma
    • eļļas sūknis
    • iegremdējamais akas sūknis
    • iegremdējamais sūknis
    • jūras sūknis
      • Jūras augstspiediena sūknis
      • jūras cauruļvadu sūknis
      • jūras magnētiskās piedziņas sūknis
      • jūras vertikālais daudzpakāpju centrbēdzes sūknis
      • jūras virpuļsūknis
      • ugunsdzēsības sūkņi uz kuģa
    • ķīmiskais sūknis
    • lāpstiņu sūknis
    • magnētiskais sūknis
    • strūklas sūknis
    • ūdens un notekūdeņu sūknis
    • vakuumsūknis
    • vienskrūves sūknis
    • zobratu sūkņi
      • augsta un zema spiediena zobratu sūknis
      • dubultā pārnesuma sūknis
      • hidrauliskais sinhronais zobratu motors
      • iekšējais zobratu sūknis
      • konstantas plūsmas zobratu sūknis
      • zobratu sūknis

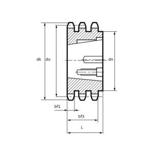
Konusveida bloķēšanas zobratiņi ir zobratiņi ar konusveida rumbas konstrukciju un atbilstošu konusveida urbumu.

Sākums akciju nodošana zobrats konusveida bloķēšanas zobrats

Showing all 6 results

Show sidebar
B tipa trīskāršās konusveida bloķēšanas zobratiņi

16B-3 ISO rullīšu ķēdes standarts 16B-3

dubultā konusveida bloķēšanas zobrats

Divpusējā konusveida bloķēšanas zobratiņš 10b-2 ISO standarts jūsu ķēdei

dubultā konusveida bloķēšanas zobrats

dubultā konusveida bloķēšanas zobrats 35B-2 ANSI standarta rullīšu ķēde

dubultās plāksnes riteņi konusveida bloķēšanas zobrats

dubultās plāksnes riteņu konusveida bloķēšanas zobrats ar ansi standartu divām atsevišķām ķēdēm DS100A-2

B tipa konusveida bloķēšanas zobrats

simplex konusveida bloķēšanas zobrats B tipa ISO standarta ķēde

B tipa konusveida bloķēšanas zobrats

Vienpavediena rullīšu ķēdes konusveida bloķēšanas zobrats ansi standarts iekārtām 120B-1

beentools

  • Adrese: 300 Qianxin Road, Jinshanwei Town, Jinshan District, Šanhaja, Ķīna
  • Tālrunis: +86-18020488605
  • E-pasts: beentools@beentools.com
Galvenā izvēlne
  • Sākums
  • Veikals
  • Blogs
  • Lapas karte
  • Par mums
  • Sazinieties ar mums
Citas tīmekļa vietnes
  • beenload
  • Vītņu gaisa kompresors
  • zāliena pļaujmašīnas-šanhajas
Jaunākie raksti
  • bieži uzdotie jautājumi par urbšanas pagarinājuma stieni
  • koniskā krustveida urbja un citu akmens urbju salīdzinājums
Autortiesības © 2024 beentools Visas tiesības aizsargātas
  • Menu
  • Categories
  • kompresorikompresori
  • būvniecības tehnikabūvniecības tehnika
  • elastīgie elementielastīgie elementi
  • ģeneratoru komplektiģeneratoru komplekti
  • sūkņisūkņi
  • blīvējuma daļasblīvējuma daļas
  • akciju nodošanaakciju nodošana
  • Sākums
  • Veikals
  • Blogs
  • Vietnes karte
  • Par mums
  • Sazinieties ar mums