asa augšējā ķēde lietošanai mitrā un putekļainā vidē.

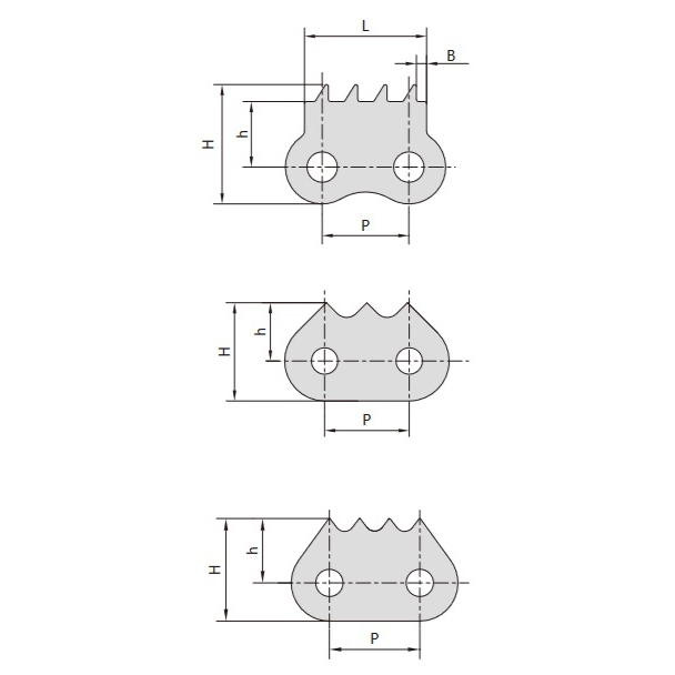
Asā zobu ķēde ir sava veida transmisijas ķēde, tās struktūru raksturo virkne zobu ķēdes plāksnes un vadotnes plāksnes, kas samontētas pārmaiņus, un ar tapu vai ar šarnīrveida elementu kombināciju savienotas, lai veidotu, blakus esošais piķis ir šarnīra locītavas.

Apraksts

Ķēde ar zobveida zobiem, kas klasificēta pēc vadotnes tipa, ietver ķēdi ar ārējo vadotni, ķēdi ar iekšējo vadotni un ķēdi ar dubulto iekšējo vadotni un ķēdi ar dubulto iekšējo vadītājzobi. Šajā ķēdes pārnesumkārbā jaudas un kustības pārnesei tiek izmantota precīza ķēdes un zobratu riteņu zobu saķere, nodrošinot precīzu vidējo pārneses koeficientu.

Priekšrocības

  • Liela pārvades jauda un liela pārslodzes spēja
  • Kompakts transmisijas izmērs vienādos darba apstākļos
  • Nepieciešams mazāks spriegojuma spēks
  • Uzticami darbojas skarbos vides apstākļos, tostarp augstā temperatūrā, mitrumā, putekļos un piesārņojumā.

Trūkumi

  • Augstākas izmaksas salīdzinājumā ar citiem ķēdes veidiem
  • Jutīga pret nodilumu un izstiepšanos
  • Slikts transmisijas vienmērīgums, papildu dinamiskā slodze, vibrācija, triecieni un troksnis ekspluatācijas laikā
  • Nav piemērotas ātras reversās transmisijas lietojumiem

Rezumējot var teikt, ka ķēdes ir ideāli piemērotas lietojumiem, kam nepieciešama lielas jaudas pārvade sarežģītā vidē, taču tās var nebūt piemērotas uzdevumiem, kam nepieciešama bieža ātra reversēšana vai minimāls troksnis un vibrācija.

Tehniskie parametri

asa augšējā ķēdes tehniskā tabula

asa augšējā ķēdes tehniskā tabula